Simidig automation AB

Tar sats

Simidig automation AB är ett nystartat litet och smidigt företag med lång erfarenhet inom SCADA-system, kommunikation och PLC-programmering.

Konsultbolag

Svårt att hinna med? Vi hjälper gärna till!

Som konsult får man ibland ta de jobb som finns, oavsett om man är expert inom området eller inte. Så vill vi inte jobba. Simidig är grymma på PLC-programmering, HMI, SCADA och fastighetsautomation, och det är där vi kan göra ett riktigt bra jobb. Visst är det kul med nya utmaningar men som kund ska man veta vad man kan förvänta sig. Utmana oss gärna!

SCADA

Expert på Citect, Web Port och iFIX.

Vi är duktiga på SCADA-system och kan hjälpa till att integrera nya anläggningar i ett befintligt system.

Har ni ett gammalt system som behöver uppgraderas? Det fixar vi. Antingen så gör vi allt eller så hjälper vi till att upprätta standarder, bibliotek och kravspecifikationer. SCADA-system är komplexa och det blir lätt spretigt och rörigt. En utarbetad strategi är viktig om det ska bli bra i längden. Vi har bra koll på vad man ska tänka på och vilka för- och nackdelar olika system har.

HMI

Bra hårdvara är viktigt.

För oss är HMI en produkt som monteras i apparatskåp för snabb och enkel åtkomst till styrsystemet. Vi tycker att det ska vara en billig produkt som går snabbt att konfigurera, ger en bra översikt av systemet, hanterar larm och som dessutom fungerar år ut och år in utan att krångla.

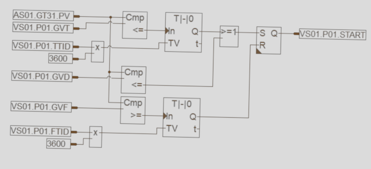
PLC

Gärna Saia.

Fastighetsautomation är det vi är bäst på. Vi programmerar snygga och lättöverskådliga program som är smidiga att driftsätta.

KOMMUNIKATION

Fältbussar och ethernet.

Kommunikation kan vara krångligt, speciellt om olika fabrikat ska prata med varandra. Vi har lång erfarenhet av felsökning och bra förståelse för hur kommunikation fungerar. Många produkter kan kommunicera via modbus men det är inte alltid lätt att tyda tillverkarens listor och parametrar. Simidig vet vad 32-bit, big-endian, terminering, 3x0001, holding registers och coils betyder.

Kontakt

Kollegor? Nja, det är tyvärr ont om det som egenföretagare. Samarbetspartners uppskattas därför extra mycket.

Simon Michelsson

Automationsingenjör
070-312 83 90
simon.michelsson@simidig.se